
はじめに
「ボタンを押した時だけ、一定時間LEDを光らせたい」 電子工作をしているとよく遭遇する課題です。専用のタイマーIC(555など)を使えば正確な時間は出せますが、部品点数が増えて大げさになりがち。
今回は、もっとシンプルに「コンデンサの過渡応答」と「トランジスタ」だけで、情緒的に(ぼわ〜っと)消える遅延タイマー回路を紹介します。
1. 準備するもの
- トランジスタ: 2SC1815(汎用NPNなら何でもOK)
- 電解コンデンサ: \(100\mu F\) 〜 \(1000\mu F\)
- 抵抗: \(10k\Omega\)(放電用)、\(1k\Omega\)(LED保護用)100Ω(充電兼スイッチ保護用)
- LED: お好みの色
- スイッチ: タクトスイッチ
- 電源: 5V 〜 9V (電池2本で直列にした3Vでも動きますが遅延を長い時間にするためには、容量の大きいコンデンサが必要です。)
抵抗とコンデンサは一例で、時間を延ばしたい場合はコンデンサの容量と抵抗の抵抗値の大きなものを用意してください。
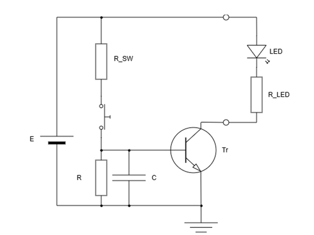
2. 回路図と仕組み
回路はとてもシンプルです。
回路図 : CR遅延タイマー回路

CR遅延タイマー回路
動作の3ステップ
- 充電: スイッチを押すと、コンデンサに一瞬で電気が溜まります。
- 放電: スイッチを離すと、コンデンサの電気は抵抗(\(R\))を通ってゆっくり逃げていきます。これが「時定数」による過渡応答です。
- 増幅: コンデンサの電圧がトランジスタのベースに入ります。電圧が高い間はLEDが光り、電圧が下がるにつれて暗くなっていきます。
回路のR_SWについて
回路中、スイッチの上にR_SWという抵抗があります。これは、スイッチをオンにしたとき、大電流が流れてスイッチが壊れないようにするための抵抗です。ここの抵抗値を上げ過ぎると充電に時間がかかり、スイッチを押し続けなくてはならなくなるため、100Ωから大きくても1kΩ程度の抵抗を使います。
3. なぜ「ぼわ〜っと」消えるのか?
(釈迦に説法かもしれませんが、一応。)
「過渡現象」を可視化してみる
なぜLEDは一瞬で消えず、余韻を残すのでしょうか。その秘密は、コンデンサの電圧変化(過渡現象)にあります。

コンデンサの電圧 \(V_C\) は、スイッチを離したあと以下の式に従って減衰していきます。
コンデンサはこのカーブに沿って、ベースという「蛇口のハンドル」をじわじわと閉めていきます。
\[V_C(t) = E \cdot e^{-\frac{t}{RC}}\]
※\(E\): 電源電圧,\(R\): 抵抗値, \(C\): 静電容量
それを受けたトランジスタのコレクタ電流 \(I_C\) も同様に減衰します。これが、私たちの目に「ぼわ〜っ」と消えていく光として映る正体です。
4. 実際に作ってみた
実験動画

電源3V R=51kΩ C=220μΩの回路の動作例
Check! コンデンサの容量を大きくしたり、抵抗値を大きくしたりすると、消えるまでの時間が伸びるのを観察してみましょう。
まとめ
ぼわ~っと消える遅延タイマー回路を紹介しました。基本的な回路素子だけで、ゆったりと光るような動作をさせることができるのは見ていて面白いです。
「今回の回路は『情緒的』ですが、逆に言えば『中途半端な状態』が長く続く回路でもあります。例えば、デジタル信号として使いたい時や、カチッと音を立てて動くリレーを制御したい時には、この『ダレ』が命取りになることも……。
この「中途半端な領域」をどうにかしたい……というのが、次回のテーマになります。
【実験】2石シュミットトリガで「パチッと」切り替わるタイマー回路 【TrST】#2
RC回路と2石トランジスタで作るシュミットトリガタイマー回路を解説。過渡応答で曖昧だった動作を、正帰還とヒステリシスで「パチッ」と切り替える仕組みを図解します。
6 記事
ディスクリートで作るタイマー回路
ディスクリート部品で作るタイマー回路の記事シリーズです
今回使用した部品の一覧はこちら: “一定時間だけ動作する回路”で使った回路素子一覧【TrST】#ex