リレー
Amazonなどで5個-700円ほどで手に入るリレーモジュール を参考に、リレーの仕組みからその使い方について紹介します。

図1 リレーモジュール
Amazonでは以下のような感じで販売されていました。
リレーモジュール5個 DC 5V 継電器モジュール
リレーモジュール5個入り
広告
そもそも「リレー」って何? スイッチとの違い
一言でいうと、リレーは「電気で動くスイッチ」です。
ふだん私たちが部屋の照明をつけるときは、壁のスイッチを指で「カチッ」と押しますよね。これは「人の力」で電気のON/OFFを切り替えています。
しかし、工場にあるような大きな機械やモーターは、流れる電気がとても大きくて危険なため、手で直接スイッチを入り切りするわけにはいきません。
そこで登場するのが「リレー」です。 リレーを使うと、非常に弱い電気信号(指令)を送るだけで、安全な場所から、大きな電気が流れる回路を「カチッ」とON/OFFさせることができます。
つまりリレーは、
「小さな力(弱い電気信号)で、大きな力(強い電気)を安全にON/OFFさせるための部品」
ということです。

図2 リレーの仕組み
電気回路を学んだことがある人なら、上の図を見てなんとなくわかるかと思いますが、リレーの中には、コイルが入っています。
リレー(電磁石式)の仕組みは、鉄心などの磁性体にコイルを巻き電磁石にします。電流(制御用の小さい電流)をコイルに流せば、電磁石が磁石となり、リレーしたい回路のスイッチを引き寄せて、スイッチをオンにします。この仕組みによって、大きな電流の回路と小さな電流の回路が電気的に分かれたまま操作することができます。これがリレーを使う大きな利点です。
※簡単に説明するため、説明中の文言にいくらか厳密な用語と異なる部分がありますがご了承ください。
※同様の目的で使われる素子としてフォトカプラ、電気的に分離できませんがパワーFETなどがあります。(別記事で紹介)
リレーモジュールとは?
まずは、リレーモジュールを見てみましょう。
以下のように電源側3つとリレー側3つの各端子があります。

図3 リレーモジュールの各端子
表1 端子の一覧表
| 分類 | 画像上 | 名称 | 機能 |
|---|---|---|---|
| リレー出力 | 端子1 | NO | ノーマリーオープン(Normaly Open)。通常時はCOMと切断されており、リレー作動時にCOMと導通します。 |
| 端子2 | COM | リレーの共通端子。制御したい回路の入力元(電源など)を接続します。 | |
| 端子3 | NC | ノーマリークローズ(Normaly Close)。通常時はCOMと導通しており、リレー作動時にCOMと切断されます。 | |
| 電源入力 | 端子4 | DC+ (またはV+) | プラスの電源(DC 5V)を接続します。 |
| 端子5 | DC- (またはGND) | マイナスの電源(グラウンド)を接続します。 | |
| トリガー入力 | 端子6 | IN | リレーを作動させるための信号(DC 0~1.5V)でオフ(DC 2.5~5V)でオンを入力する端子です。 |
配線例と実装アイデア
配線例
動作用の電源を5Vのもの(スマホの充電器タイプAのものを使うと安く手に入ると思います。)

図4 タイマーモジュール配線図(入力側)
入力側の配線例です。
スイッチを導通させると(COM-NO)が導通して、
(COM-NC)が開放されます。
実装アイデアの前に仕様確認
このタイマーモジュールの仕様は、トリガー電流:5mA、動作電圧:5V、最大負荷:AC 250V / 10A、DC 30V / 10A、トリガー電圧:0-1.5V(Low); 2.5-5V(High)です。出力側の負荷がAC 250V / 10A、DC 30V / 10Aまで対応なので、以下のようなもののスイッチに利用ができると思います。
照明器具: デスクライト、LED電球、間接照明の一括点灯
換気扇・扇風機: トイレの換気扇、デスクファン
小型の電熱器(抵抗負荷): はんだごて(低電力のもの)
小型ポンプ: アクアリウムのエアポンプなど
アイデア1:座ったら自動で化粧台の電気やPC周りのガジェット起動
椅子に圧力センサを取り付けたり、人感センサー (PIRセンサー)を使って、そこに座ったりすることをマイコン(ラズパイやArduino)をつかって検出します。マイコンで検出したら5Vを出力(グランド DC-は共通にする必要があります)するように設定し、この電圧をリレーのINにつなぐことで、自動化ができます。

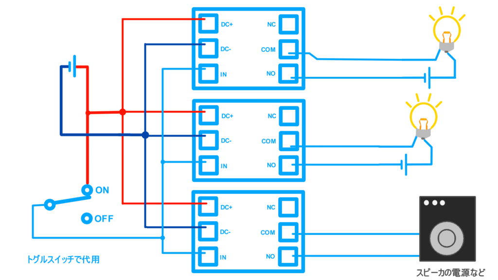
図5 スイッチ一つで電源操作する配線例
アイデア2:室温でON/OFFする「簡易サーモスタット(扇風機)」
温度センサ+マイコンで検出 5V信号を出力し、リレーで機械を安全にスイッチする。
- 温度センサーが室温を監視します。
- マイコン側で「(例)28度以上になったら」という条件を設定します。
- 温度が28度を超えると、マイコンがリレーをONにし、扇風機が作動します。
- その後、温度が「(例)27度以下」まで下がると、リレーをOFFにして扇風機を停止します。
ちょっとした温度管理(PC周りの冷却、簡易的な室温調整)が自動化できます。小型のボックスの温度管理などに利用できます。
アイデア3:水槽の水位を自動調整
小型ACポンプと水をためておく別タンクを用意します。水位調整したい水槽に2つフロートスイッチを取り付けます。取り付けたフロートスイッチの片方を給水を始める水位、もう片方を給水をやめる水位に設定し、マイコンでこの2入力を受け取って、給水開始のフロートがONになったらリレーのINに5Vを出すようにします。高いほうのフロートがONになったら出力をやめて給水をやめます。
フェールセーフ(水を扱うので安全措置)、この構成なら下のスイッチが壊れたとき(ずっとONになっている)としても、上側のスイッチで停止するため安全です。しかし、上側のスイッチが動作しなくなってしまったとき危険なので、下のスイッチの位置からポンプをオンにしたとしてマイコン側で最大動作時間を設定します。また、これがトリガされたら動作を安全のため停止し、LEDなどでエラーを示すようにしておくとよいと思います。
利用に際して注意点
電動機などの誘導性(大きなコイルがある)ものは、接続時と解放時に逆起電力でリレーを溶着する(ずっと接続したままになってしまう)可能性があるため、このサイズのリレーモジュールでは対応できません。小型の電動機で利用電流が規格内であってもスナバ回路やフライホイールダイオードなどを利用した保護回路を入れる必要があります。
おわりに、
リレーモジュールだけでも、生活をちょっと便利にできるシステムを作ることができます。リレー自体の消費電力は小さいので、リレーモジュールを複数並列で使い、一つのスイッチで複数の機器の操作もできます。また、信号を処理できるマイコンなどと組み合わせると、マイコン側を保護しながら、比較的大きめの電気製品の制御ができるので活用の幅をより広げられるので、挑戦してみてはいかがでしょうか。
リレーモジュール12個
リレーモジュールまとめ買い12個入り
広告
ちなみに、リレーの応用の第一歩として、あらかじめ時間制御機能が内蔵された「タイマーリレーモジュール」も非常に人気があります。
今回紹介したようなマイコンを使わなくても、「スイッチを押してから〇秒後にON(またはOFF)にする」といった自動化が基板単体で簡単に実現できます。
【初心者向け】図解でわかるタイマーリレーの使い方!基本から実践的な実装例まで徹底解説
一目でわかる、オートメーションリレー(タイマーリレー)モジュールの配線とモードの設定方法を図解します。
ここまで読んでいただきありがとうございます。
では、次の記事で。 lumenHero